СТО ЦКТИ 720.05-2009
СТО ЦКТИ 720.05-2009
ТРОЙНИКИ ПЕРЕХОДНЫЕ СВАРНЫЕ ДЛЯ ТРУБОПРОВОДОВ ПИТАТЕЛЬНОЙ ВОДЫ ТЕПЛОВЫХ СТАНЦИЙ
Взамен ОСТ 108.104.03-82
Область применения
Настоящий стандарт распространяется на переходные сварные тройники для трубопроводов I категории питательной воды (по классификации «Правил устройства и безопасной эксплуатации трубопроводов пара и горячей воды») тепловых станций с абсолютным давлением и температурой воды:
р = 37,27 МПа, t = 280 ℃
р = 23,54 МПа, t = 250 ℃
р = 23,54 МПа, t = 215 ℃
р = 18,54 МПа, t = 215 ℃
Конструкция и размеры
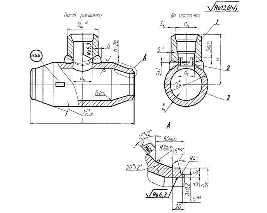
1 Конструкция и размеры тройников должны соответствовать указанным на рисунке 1 и в таблице 1.
2 Допускается изготовление корпусов тройников с разделкой под сварку по типу С4 и С5 в соответствии с СТО ЦКТИ 10.003.
Технические требования
1 Сварочные материалы - по СТО ЦКТИ 10.003. Нормы оценки качества сварных соединений - согласно требованиям ПБ 10-573 (Приложение 8).
2 После сварки штуцер (поз. 1) растачивается напроход до диаметра da1 с целью удаления подкладного кольца и корня шва.
3 Масса наплавленного металла уточняется технологическим процессом.
Масса тройников, указанная в таблице 1, - расчетная, приведена для справки.
4 Остальные технические требования - по СТО ЦКТИ 10.003.
5 Проточку подкатанных концов диаметром dp допускается выполнять на длину не менее длины обжатой части тройника с выходом под углом (25 ± 2)°.
6 Рекомендуемый размер прямого участка уточвяется предприятием-изготовителем при разработке технологического процесса. допускается изготовление подкатанной части без прямых участков.
7 Пример условного обозначения переходного сварного тройника исполнения 02 с условными проходами Dу225 и Dу1 175:
ТРОЙНИК ПЕРЕХОДНЫЙ 225×175 02 СТО ЦКТИ 720.05

